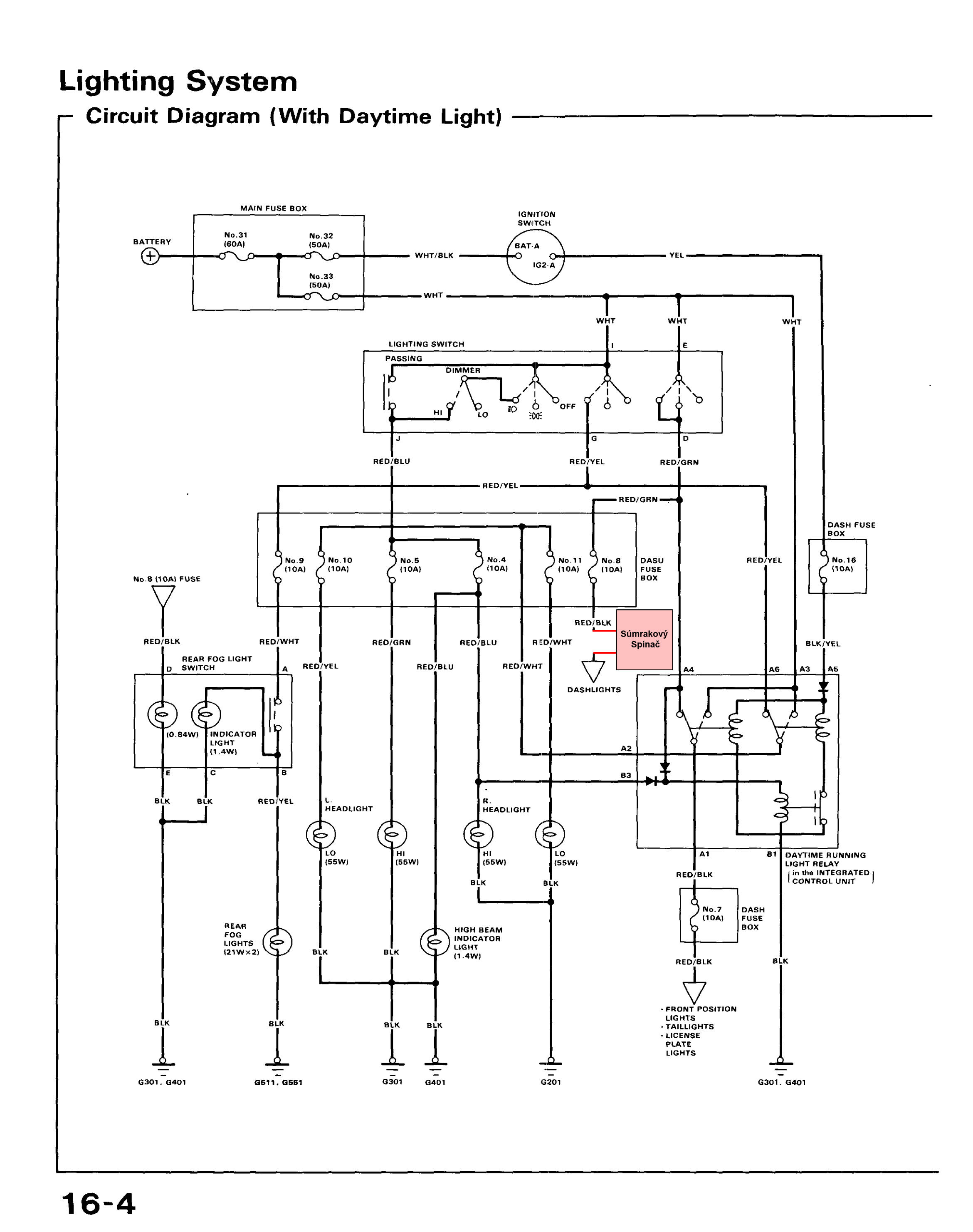
všimol som si na našich CRXkách že po zapnutí svetiel sa celá CRXka prepne do "nočného módu" (inak osvetlené kúrenie, ztmavnú hodiny, osvetlí sa tachometer). Výborný nápad, ale bohužial, teraz už menej použitelný. V dobách bez denného svietenia by som si to velmi pochvaloval ale teraz to už proste nieje ono. A preto sa mi v hlave vzkriesila myšlienka, či sa to nedá obísť nejakým jednoduchým vypínačom alebo automaticky na svetelný senzor alebo tak nejako. Podla mňa táto myšlienka stojí za pokus. Na internete som vela o tom nenašiel takže CZ/SK scéna možno bude prvá čo také niečo bude mať ak to nebude moc zložité
Začnime o tomto premýšlať, myslím že je to fajn vec