
Voda teče při otáčkách !
Moderátor: Minor
- Dudla
- CRX velení

- Příspěvky: 593
- Registrován: 31 led 2011 15:12
- Bydliště: praha
- Kontaktovat uživatele:
Voda teče při otáčkách !
zdravim potřeboval bych poradit když se zahřeje motor a jde do otáček tak ze spodu pod rozdělovačem je takovej vypušták nebo prostě šroub s matkou na bloku jakoby u termostatu a v těch otáčkách z toho začne tect voda proudem a pak zase přestane a tečeto do celýho motoru je to mokrý od bloku do levýho roku k pojisktám je to tam celý mokrý nevýte co to je ? ale ta voda je mastná 

Honda CRX ED9... K20 SWAP...
Honda CRX EE8 VTEC B16A1=110KW
Honda CRX EE8 VTEC B16A1=110KW
Re: Voda teče při otáčkách !
Nafoť to, ale tam jsou myslím dvě teplotní čidla, které jsou pochopitelně napojeny na vodní okruh.
Minor@honda-club.cz, 737574121, whatsapp 776408287
- Dudla
- CRX velení

- Příspěvky: 593
- Registrován: 31 led 2011 15:12
- Bydliště: praha
- Kontaktovat uživatele:
Re: Voda teče při otáčkách !
Minor píše:Nafoť to, ale tam jsou myslím dvě teplotní čidla, které jsou pochopitelně napojeny na vodní okruh.
takže tam chybí hadička že ? jinak je to na hadičku o proměru jako je na odstřikovačich ! ale ten šroub se da dotáhnout ale radši jsem s tim nehejbal jinak určitě nafotim nebo se mužeš klidně stavit bydlim kousek už jsem tě i párkrát viděl v civicu jak jsi ráno vezl nějaký prcky
Honda CRX ED9... K20 SWAP...
Honda CRX EE8 VTEC B16A1=110KW
Honda CRX EE8 VTEC B16A1=110KW
- Petk@
- Šéfík!:)

- Příspěvky: 1126
- Registrován: 09 čer 2011 09:14
- Bydliště: Praha
- Kontaktovat uživatele:
Re: Voda teče při otáčkách !
nemaš na mysli odvzdušnovací šroub ? jen ho dotahni
je to číslo klíče 12 .
- Dudla
- CRX velení

- Příspěvky: 593
- Registrován: 31 led 2011 15:12
- Bydliště: praha
- Kontaktovat uživatele:
Re: Voda teče při otáčkách !
Petk@ píše:nemaš na mysli odvzdušnovací šroub ? jen ho dotahnije to číslo klíče 12 .
taky mi to kámoš řikal asi to bude ono má to závit a uprostřed je matka ! nafotim a hodim to sem ! abych tam něco neposral hlavně budeš mi to muset prohlidnout komplet spodek protože klouže ta prdel a je to dost nepřijemný a vubec nevim čim by to mohlo bejt ale silenblokama na řizení asi ne ty ale budu muset taky obědnat
Honda CRX ED9... K20 SWAP...
Honda CRX EE8 VTEC B16A1=110KW
Honda CRX EE8 VTEC B16A1=110KW
- Petk@
- Šéfík!:)

- Příspěvky: 1126
- Registrován: 09 čer 2011 09:14
- Bydliště: Praha
- Kontaktovat uživatele:
Re: Voda teče při otáčkách !
no uvidime protože když bude na podvozku nějakej problem tak to nema smysl tetkon dělat tu geometrii
ale zkoukne se to určitě
jinak ten problem s vodou to bude určitě idvzdušnovací šroub , kousek u termostatu ma na sobě zavit pak matku a u prostřed je dirka , když to stihnu tak zitra vyfotim 
Re: Voda teče při otáčkách !
Dudla píše:Minor píše:Nafoť to, ale tam jsou myslím dvě teplotní čidla, které jsou pochopitelně napojeny na vodní okruh.
takže tam chybí hadička že ? jinak je to na hadičku o proměru jako je na odstřikovačich ! ale ten šroub se da dotáhnout ale radši jsem s tim nehejbal jinak určitě nafotim nebo se mužeš klidně stavit bydlim kousek už jsem tě i párkrát viděl v civicu jak jsi ráno vezl nějaký prckyjinak bydlim v podbabě u benzínky
Což o to, to já se klidně stavím, bydlím nad Kulaťákem, ale prcky nevozím skoro nikdy, protože žádný nemám, a po ránu se mnou taky nebývá nejčastější setkání
Holt prcky v civicu vozí někdo jinej, ale moc mě nenapadá kdo.
Minor@honda-club.cz, 737574121, whatsapp 776408287
- Dudla
- CRX velení

- Příspěvky: 593
- Registrován: 31 led 2011 15:12
- Bydliště: praha
- Kontaktovat uživatele:
Re: Voda teče při otáčkách !
Což o to, to já se klidně stavím, bydlím nad Kulaťákem, ale prcky nevozím skoro nikdy, protože žádný nemám, a po ránu se mnou taky nebývá nejčastější setkání 
Holt prcky v civicu vozí někdo jinej, ale moc mě nenapadá kdo.[/quote]
tak to nevim
Holt prcky v civicu vozí někdo jinej, ale moc mě nenapadá kdo.[/quote]
tak to nevim
Honda CRX ED9... K20 SWAP...
Honda CRX EE8 VTEC B16A1=110KW
Honda CRX EE8 VTEC B16A1=110KW
- Dudla
- CRX velení

- Příspěvky: 593
- Registrován: 31 led 2011 15:12
- Bydliště: praha
- Kontaktovat uživatele:
Re: Voda teče při otáčkách !
Petk@ píše:no uvidime protože když bude na podvozku nějakej problem tak to nema smysl tetkon dělat tu geometriiale zkoukne se to určitě
jinak ten problem s vodou to bude určitě idvzdušnovací šroub , kousek u termostatu ma na sobě zavit pak matku a u prostřed je dirka , když to stihnu tak zitra vyfotim
jo mát o na začátku závit matkus dírou a závit do bloku ! takže to mužu na tvrdo zašroubovat ??

Honda CRX ED9... K20 SWAP...
Honda CRX EE8 VTEC B16A1=110KW
Honda CRX EE8 VTEC B16A1=110KW
- Martin16
- CRX Guru

- Příspěvky: 632
- Registrován: 25 čer 2009 10:17
- Bydliště: Praha
- Kontaktovat uživatele:
Re: Voda teče při otáčkách !
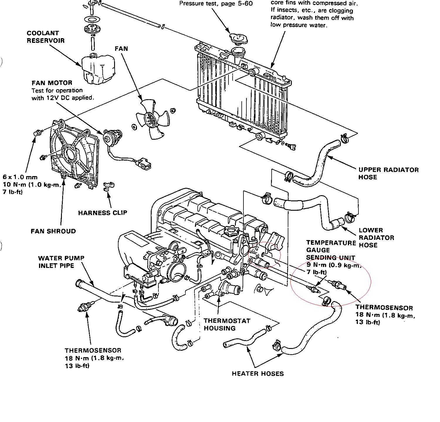
myslí zřejmě toto (thermosensor) odvzdušnovák by mu snad nezlil celej mot. prostor
アクションのないビジョンは白昼夢のようなものです。ビジョンなしのアクションは悪夢です
"Vize bez akce je jako snění za bílého dne. Akce bez vize je noční můrou"
"Vize bez akce je jako snění za bílého dne. Akce bez vize je noční můrou"
- Dudla
- CRX velení

- Příspěvky: 593
- Registrován: 31 led 2011 15:12
- Bydliště: praha
- Kontaktovat uživatele:
Re: Voda teče při otáčkách !
Martin16 píše:myslí zřejmě toto (thermosensor) odvzdušnovák by mu snad nezlil celej mot. prostor
bud to bude ten termosenzor nebo to podtim jak je na to ta šipka ale to je asi termostat ? jdu to nafotit
Honda CRX ED9... K20 SWAP...
Honda CRX EE8 VTEC B16A1=110KW
Honda CRX EE8 VTEC B16A1=110KW
- Dudla
- CRX velení

- Příspěvky: 593
- Registrován: 31 led 2011 15:12
- Bydliště: praha
- Kontaktovat uživatele:
Re: Voda teče při otáčkách !
tak na pravo nahoře je rozdělovač a to v kroužku z toho mi to těče snad se z orientujete je tam dost obtižnej přistup na fotku a vubec je to tam všechno pod tohu kapotou nahuštěný že je to až hustý
zkoro nikde nestrčim ruku na tož abych tam něco dotáh nebo povolil
tak jsem zvědav co to je a co to teče a proč ?
ale fakt jenom když je to dost zahřáty a přidá se otáčky
ale fakt jenom když je to dost zahřáty a přidá se otáčkyHonda CRX ED9... K20 SWAP...
Honda CRX EE8 VTEC B16A1=110KW
Honda CRX EE8 VTEC B16A1=110KW
- Petk@
- Šéfík!:)

- Příspěvky: 1126
- Registrován: 09 čer 2011 09:14
- Bydliště: Praha
- Kontaktovat uživatele:
Re: Voda teče při otáčkách !
hele to je normální odvzdušnovak na chladící soustavu
zkus ho vyšroubovat a vyčistit jestli neni zkorodovanej a netesni
ale spíše nejdřív zkusit dotahnout
cero třeba mohlo jezdit na vodu a muže tam bejt bordel a jestli to někdo povolil a utah tak se to tam seklo a teče 
- Martin16
- CRX Guru

- Příspěvky: 632
- Registrován: 25 čer 2009 10:17
- Bydliště: Praha
- Kontaktovat uživatele:
Re: Voda teče při otáčkách !
dal bych tam pro sichr jinej
アクションのないビジョンは白昼夢のようなものです。ビジョンなしのアクションは悪夢です
"Vize bez akce je jako snění za bílého dne. Akce bez vize je noční můrou"
"Vize bez akce je jako snění za bílého dne. Akce bez vize je noční můrou"
Re: Voda teče při otáčkách !
Bacha na dotahování, je to hliník a to lůžko poměrně snadno rupne.
Minor@honda-club.cz, 737574121, whatsapp 776408287
- Dudla
- CRX velení

- Příspěvky: 593
- Registrován: 31 led 2011 15:12
- Bydliště: praha
- Kontaktovat uživatele:
Re: Voda teče při otáčkách !
tak jako nedávno jsme s tim jel a už to neteklo
tak uvidim když to znova začne tak to začnu řešit ale jinak dobrý 
Honda CRX ED9... K20 SWAP...
Honda CRX EE8 VTEC B16A1=110KW
Honda CRX EE8 VTEC B16A1=110KW
Kdo je online
Uživatelé prohlížející si toto fórum: Žádní registrovaní uživatelé a 8 hostů