Petk@-CRX příběh, splněný sen a postup renovace :)

Ukažte ostatním své CRX!

Moderátor: Minor

Uživatelský avatar
Petk@
Šéfík!:)
Šéfík!:)
Příspěvky: 1126
Registrován: 09 čer 2011 09:14
Bydliště: Praha
Kontaktovat uživatele:

Re: Petk@-CRX příběh a zaroven splněný sen :-)ä postup renovace

Příspěvekod Petk@ » 27 čer 2012 18:18

jazzik píše:tak kdyz do rele jde proud,tak to bude asi problem po ceste do cerpadla (logicky ze ) tak promerit/propitat draty co k nemu vedou a ujistit se,zda opravdu jde z rele vse spravne jak ma..

jojo to každopádně :-) dneska jsme zkusili samotný čerpadlo a to fakčí jak má takže problém mezi relem a čerpadlem :-( tetkon kde ? :-D už mě to přestává bavit :-(

Uživatelský avatar
Petk@
Šéfík!:)
Šéfík!:)
Příspěvky: 1126
Registrován: 09 čer 2011 09:14
Bydliště: Praha
Kontaktovat uživatele:

Re: Petk@-CRX příběh a zaroven splněný sen :-)ä postup renovace

Příspěvekod Petk@ » 16 črc 2012 19:20

Tak dneska po dlouhý době dobrá zpráva céro háže jiskru a když se napíchne čerpadlo natvrdo na baterku tak i vrčí *fin* *dance* *dance* *dance* . takže jedna závada je nefunkční rozdělovač a druhá někde na cestě k čerpadlu :-) tady vydeo ze startu pak dodám ještě jedno video :-) jinak jsem skoušel jen lehce přidat fakt jsem jen brnknul a dobrý *dance* *pohladit* http://www.youtube.com/watch?v=HgH5zfNlhSI

Uživatelský avatar
Petk@
Šéfík!:)
Šéfík!:)
Příspěvky: 1126
Registrován: 09 čer 2011 09:14
Bydliště: Praha
Kontaktovat uživatele:

Re: Petk@-CRX příběh a zaroven splněný sen :-)ä postup renovace

Příspěvekod Petk@ » 16 črc 2012 20:50

nevim proč ale nejde u toho zvuk :-D tak tady de ale bohužel jen telefonem :-D http://www.youtube.com/watch?v=1IM4PYQDYv8

Uživatelský avatar
Martin16
CRX Guru
CRX Guru
Příspěvky: 632
Registrován: 25 čer 2009 10:17
Bydliště: Praha
Kontaktovat uživatele:

Re: Petk@-CRX příběh a zaroven splněný sen :-)ä postup renovace

Příspěvekod Martin16 » 17 črc 2012 08:16

rozdělovač mam doma vyndanej z fialky (byl naprosto ok) tak kdybys chtěl písni *drinks*
アクションのないビジョンは白昼夢のようなものです。ビジョンなしのアクションは悪夢です
"Vize bez akce je jako snění za bílého dne. Akce bez vize je noční můrou"

Uživatelský avatar
PAKO
CRXař
CRXař
Příspěvky: 495
Registrován: 24 led 2011 14:31
Bydliště: Praha-Běchovice,Škvorec
Kontaktovat uživatele:

Re: Petk@-CRX příběh a zaroven splněný sen :-)ä postup renovace

Příspěvekod PAKO » 17 črc 2012 15:41

*fin*

Uživatelský avatar
Petk@
Šéfík!:)
Šéfík!:)
Příspěvky: 1126
Registrován: 09 čer 2011 09:14
Bydliště: Praha
Kontaktovat uživatele:

Re: Petk@-CRX příběh a zaroven splněný sen :-)ä postup renovace

Příspěvekod Petk@ » 17 črc 2012 17:58

Tak dneska se trochu vrtalo :-) a zjistilo jse že de do pojistkovky kostra takže nejspíš bude vadná pojistkovka teda aspon zejtra skusime zapojit pojistkovku z mého bejvaleho cera :-) pak se uvidí :-) jinak dneska mi lazzik rozleštil zadní světla tim mu opět děkuju :-) já jsem si rozleštil jen přední blinkry do nárazníku :-) tak držte palce snad to bude tak pojistkovka :-)
Přílohy
IMG_20120717_155611.jpg
IMG_20120717_160548.jpg
IMG_20120717_162159.jpg
IMG_20120717_162602.jpg

Uživatelský avatar
Minor
Správce fóra
Správce fóra
Příspěvky: 1712
Registrován: 08 čer 2009 20:24
Kontaktovat uživatele:

Re: Petk@-CRX příběh a zaroven splněný sen :-)ä postup renovace

Příspěvekod Minor » 17 črc 2012 18:48

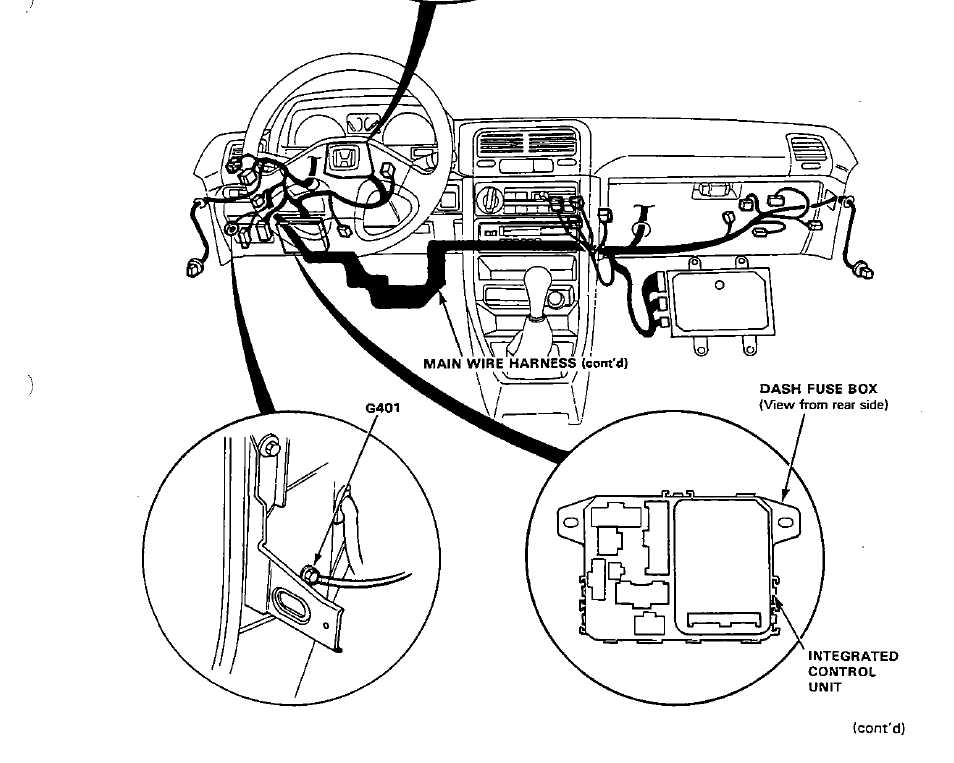
To mi připadá nějaké divoké. Kde je na ní ta kostra? Víš jistě, že tam nemá být?
Minor@honda-club.cz, 737574121, whatsapp 776408287

Uživatelský avatar
Minor
Správce fóra
Správce fóra
Příspěvky: 1712
Registrován: 08 čer 2009 20:24
Kontaktovat uživatele:

Re: Petk@-CRX příběh a zaroven splněný sen :-)ä postup renovace

Příspěvekod Minor » 17 črc 2012 18:51

z manuálu, kde je kostřeno
Přílohy
kostra pojistkovka crx.jpg
Minor@honda-club.cz, 737574121, whatsapp 776408287

Uživatelský avatar
Petk@
Šéfík!:)
Šéfík!:)
Příspěvky: 1126
Registrován: 09 čer 2011 09:14
Bydliště: Praha
Kontaktovat uživatele:

Re: Petk@-CRX příběh a zaroven splněný sen :-)ä postup renovace

Příspěvekod Petk@ » 17 črc 2012 19:33

děkuju *fin* kam na ty obrázky chodíš sám bych to nenašel :-) jde oto že kdyžpřipojíš zkoušečku na kostru a hrot na pojistku tak nani svítí - a jak se vypne klíček tak + :-D za chvilku budu na icq tak upřesnim *oprava*

Uživatelský avatar
Petk@
Šéfík!:)
Šéfík!:)
Příspěvky: 1126
Registrován: 09 čer 2011 09:14
Bydliště: Praha
Kontaktovat uživatele:

Re: Petk@-CRX příběh a zaroven splněný sen :-)ä postup renovace

Příspěvekod Petk@ » 18 črc 2012 18:13

Tak od dnekška cero šlape a startuje i bez pomoci drátů od baterky atd :-) a problém byl jako vždy fakt v kravině a to že byla špatná kostra na svazku u hlavního relé :-) a co vede od baterky do kastle tak tam to bylo taky špatný takže se očka odrbali a JEDEME :-) nenapadlo nás to protože céro normál svítilo točilo starterem atd ale nakonec to byla fakt kravina jako vždy :-D jinak dneska motor běžel cca 3.5 hodky na volnoběh občas se lechce přidalo a když jsem šel domu a šel jsem to vypnout tak jsem přidal ke 3tis a ten vejfuk je paráda *slint* *slint* *slint* nechci ho slyšet třeba v 6 tis :-D ale na to je čas až se zajede :-) ještě dodám že se začly ozívat ventilly klasika cvakání ale toje jak si to sedá takže pak se skontrolujou vůle *drinks* Jinak děkuju všem za rady a náapdy *drinks*

Uživatelský avatar
Minor
Správce fóra
Správce fóra
Příspěvky: 1712
Registrován: 08 čer 2009 20:24
Kontaktovat uživatele:

Re: Petk@-CRX příběh a zaroven splněný sen :-)ä postup renovace

Příspěvekod Minor » 18 črc 2012 18:54

Paráda, blahopřeju.
Jo, kostry umí pozlobit.
Minor@honda-club.cz, 737574121, whatsapp 776408287

Uživatelský avatar
martas CRX
CRX velení
CRX velení
Příspěvky: 529
Registrován: 23 říj 2009 21:44
Bydliště: Říčany
Kontaktovat uživatele:

Re: Petk@-CRX příběh a zaroven splněný sen :-)ä postup renovace

Příspěvekod martas CRX » 19 črc 2012 13:52

Teda člověk tady tejden není a takových pokroku *fin* blahopřeju k funkčnímu motoru !! *drinks* A už se nemužu dočkat až usliším ten výfuk. A opět Lazzzikovi šikovné ruce ;) *pohladit* A otázka jak se rozleštujou světla ?? Teda čím a jak ?? *slint* *fin*
Honda CRX je láska na celý život !!!

Uživatelský avatar
lazzzik
CRX velení
CRX velení
Příspěvky: 511
Registrován: 19 srp 2009 22:56
Kontaktovat uživatele:

Re: Petk@-CRX příběh a zaroven splněný sen :-)ä postup renovace

Příspěvekod lazzzik » 19 črc 2012 16:14

martas CRX píše:Teda člověk tady tejden není a takových pokroku *fin* blahopřeju k funkčnímu motoru !! *drinks* A už se nemužu dočkat až usliším ten výfuk. A opět Lazzzikovi šikovné ruce ;) *pohladit* A otázka jak se rozleštujou světla ?? Teda čím a jak ?? *slint* *fin*

Pokud chceš nižší level u světel,stačí dobrá leštící pasta a dělat to ručně,pokud chceš vyší level jako u Petky,tak strojní leštičku a pasty *fin*

Uživatelský avatar
Petk@
Šéfík!:)
Šéfík!:)
Příspěvky: 1126
Registrován: 09 čer 2011 09:14
Bydliště: Praha
Kontaktovat uživatele:

Re: Petk@-CRX příběh a zaroven splněný sen :-)ä postup renovace

Příspěvekod Petk@ » 22 črc 2012 22:00

Tak o víkendu jsem si vzal na chatu pár věcí a natřele jsem je :-) vypadá to celkem fajn :-) jinak na ramenech jsou vyměněny všechny silenty tak snad bude tícho :-) měl jsem sebou i těhlice na kterejch budou nové spodní čepy a natře se to ale bohužel mi nešlo s tehlice sundat jiné rameno tak jsem se na to vyprdnul a ohřeje se to autogenem a pujde :-)
Přílohy
IMG_20120722_174827.jpg

Uživatelský avatar
PAKO
CRXař
CRXař
Příspěvky: 495
Registrován: 24 led 2011 14:31
Bydliště: Praha-Běchovice,Škvorec
Kontaktovat uživatele:

Re: Petk@-CRX příběh a zaroven splněný sen :-)ä postup renovace

Příspěvekod PAKO » 23 črc 2012 15:22

krásné nové manžety,krásně zapáskováno *fin*

Uživatelský avatar
martas CRX
CRX velení
CRX velení
Příspěvky: 529
Registrován: 23 říj 2009 21:44
Bydliště: Říčany
Kontaktovat uživatele:

Re: Petk@-CRX příběh a zaroven splněný sen :-)ä postup renovace

Příspěvekod martas CRX » 23 črc 2012 17:47

vypadá to fakt dobře !!!! *pohladit* *pohladit*
Honda CRX je láska na celý život !!!

Uživatelský avatar
Petk@
Šéfík!:)
Šéfík!:)
Příspěvky: 1126
Registrován: 09 čer 2011 09:14
Bydliště: Praha
Kontaktovat uživatele:

Re: Petk@-CRX příběh a zaroven splněný sen :-)ä postup renovace

Příspěvekod Petk@ » 23 črc 2012 20:41

Jojo děkuju :-) snažil jsem se jedna manžeta byla roztrhlá ale řekl jsem si když už tak už :-D tak jsem vyměnil všechny 4 :-) jinak dneska jsem složil ze dvou šíbrů jeden plně funkční a dal na cero tak už tam neni díra jak do ...... :-D a ještě jedna novinka že jsem si nechal dneska stočit zadní kotouče a koupil zabezpečení :-) *oprava*

Uživatelský avatar
lazzzik
CRX velení
CRX velení
Příspěvky: 511
Registrován: 19 srp 2009 22:56
Kontaktovat uživatele:

Re: Petk@-CRX příběh a zaroven splněný sen :-)ä postup renovace

Příspěvekod lazzzik » 23 črc 2012 20:50

,,Zabezpečení" koupil si ostrého rotweilera a sedí mu v kufru :shock: :lol:

Uživatelský avatar
martas CRX
CRX velení
CRX velení
Příspěvky: 529
Registrován: 23 říj 2009 21:44
Bydliště: Říčany
Kontaktovat uživatele:

Re: Petk@-CRX příběh a zaroven splněný sen :-)ä postup renovace

Příspěvekod martas CRX » 23 črc 2012 20:56

lazzzik píše:,,Zabezpečení" koupil si ostrého rotweilera a sedí mu v kufru :shock: :lol:


*vytlem* tak to je moc *vytlem* ale určitě nejlepší alarm co jsi mohl vybrat !!! *fin*
Honda CRX je láska na celý život !!!

Uživatelský avatar
lazzzik
CRX velení
CRX velení
Příspěvky: 511
Registrován: 19 srp 2009 22:56
Kontaktovat uživatele:

Re: Petk@-CRX příběh a zaroven splněný sen :-)ä postup renovace

Příspěvekod lazzzik » 23 črc 2012 21:56

martas CRX píše:
lazzzik píše:,,Zabezpečení" koupil si ostrého rotweilera a sedí mu v kufru :shock: :lol:


*vytlem* tak to je moc *vytlem* ale určitě nejlepší alarm co jsi mohl vybrat !!! *fin*

No,ještě rozmýšlel nad čivavou ale pak si řekl,že objem nenahradíš *dance*


Zpět na „Vaše CRX / Your CRX“

Kdo je online

Uživatelé prohlížející si toto fórum: Žádní registrovaní uživatelé a 3 hosti