Zdravím,
potřeboval bych radu k čemu to slouží a co to vlastně je v manuálu jsem to nenašel.
Sání
Moderátor: Minor
Sání
Neví někdo, řeším to samé?
Sání
Myslím, že je to Fast Idle Solenoid Valve. Ovlivňuje otáčky při volnoběhu. Měl by být nastavený z výroby, ale může se rozštelovat a jsou pak vysoké volnoběžné otáčky.
Minor@honda-club.cz, 737574121, whatsapp 776408287
Sání
Díky,vede od něj kabel s konektorem a nevím kam ho zapojit.Prehazoval se motor a tohle zůstalo nezapojení,Ř.J nedává žádnou chybu a ještě když vracím klíček do polohy od tak Ř.J problikne,nevím jestli je to skrat někde v ele.diky.
Sání
*do polohy off
Sání
PoOkud jsi měnil motor, může se stát, že máš sání z předface verze a kabeláž z poface, případně opačně, teď si nejsem jistý. Musel bych se někde podívat. Každopádně crx 2G nonvtec mělo dva typy sací komory a k tomu odpovídající kabeláž. Obecně jsou hondy dělané tak, aby nešlo poplést konektory a jejich zapojení, takže pokud to není kam opravdu zapojit, asi ti nesedí kabeláž vůči sání (předface/poface).
Jedno bliknutí v ecu po otočení klíčky je v pořádku, je to kontrolní blik.
Jedno bliknutí v ecu po otočení klíčky je v pořádku, je to kontrolní blik.
Minor@honda-club.cz, 737574121, whatsapp 776408287
Sání
Díky,kontrolka blikne když vypínám kliček a už si nepamatuji jestli to dělalo předtím a je to v pořádku
Ještě mi neukazuje teplotu, vyměnil jsem termostat a teplotní čidlo,skontroloval pojistky a furt nic.Pred výměnou motoru vše fungovalo tak už nevim.Ř.J nevyblikava žádnou chybu,jenom když vracím klíček do polohy of tak problikne, nevím já jsem výměnu motoru nedělal a kontrolují vsechno díky za ochotu a každej názor.Hledam někoho s crx ve Zlínském kraji já konkrétně bydlím na Vsetíně a tady crx neni,auto vlastním 16 let jelo pouze rok jinak pořád schované v garáži a už bych si ho rád užil.Ten konektor pokud ho fakt nemám kam zapojit a je to jak si napsal,vadí to?díky.
Ještě mi neukazuje teplotu, vyměnil jsem termostat a teplotní čidlo,skontroloval pojistky a furt nic.Pred výměnou motoru vše fungovalo tak už nevim.Ř.J nevyblikava žádnou chybu,jenom když vracím klíček do polohy of tak problikne, nevím já jsem výměnu motoru nedělal a kontrolují vsechno díky za ochotu a každej názor.Hledam někoho s crx ve Zlínském kraji já konkrétně bydlím na Vsetíně a tady crx neni,auto vlastním 16 let jelo pouze rok jinak pořád schované v garáži a už bych si ho rád užil.Ten konektor pokud ho fakt nemám kam zapojit a je to jak si napsal,vadí to?díky.
Sání
Ad kontrolka: asi jsem se nikdy nedíval, ale myslím, že by měla probliknout jen když otáčíš klíčkem a pouštíš proud do "systému" 
Ad teplotní čidlo - čidla jsou dvě, jedno dává signál do ecu, druhé do budíků
Ad někdo poblíž - zkus na honda-clubu kontaktovat MadZeda, měl by být někde poblíž a je to ochotný a znalý kluk (tedy už ne úplně kluk)
Ad čidlo - pokud to chápu správně, čídlo má vliv na veliost volnoběžných otáček studeného motoru, když to nebude zapojené, nebude to nic regulovat
Ad teplotní čidlo - čidla jsou dvě, jedno dává signál do ecu, druhé do budíků
Ad někdo poblíž - zkus na honda-clubu kontaktovat MadZeda, měl by být někde poblíž a je to ochotný a znalý kluk (tedy už ne úplně kluk)
Ad čidlo - pokud to chápu správně, čídlo má vliv na veliost volnoběžných otáček studeného motoru, když to nebude zapojené, nebude to nic regulovat
Minor@honda-club.cz, 737574121, whatsapp 776408287
Sání
A kde najdu to čidlo co dává signál do budiku,já jsem vyměnil to co je pod rozdělovačem zhruba a odvzdušňovací šroub chladícího systému je kousek vedle?díky.
Sání
Vzadu na bloku je čidlo, které spíná větrák.
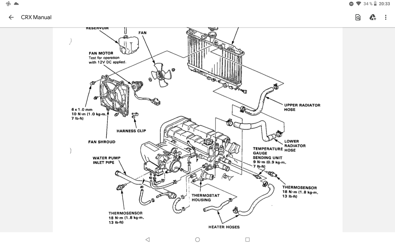
Čidlo pro budíky se na obrázku jmenuje Temperature gauge sending unit.
Čidlo pro budíky se na obrázku jmenuje Temperature gauge sending unit.
Minor@honda-club.cz, 737574121, whatsapp 776408287
Zpět na „Potřebuji poradit :( / Need help“
Kdo je online
Uživatelé prohlížející si toto fórum: Žádní registrovaní uživatelé a 7 hostů