Dimm-ing pri zapnutých svetlách

Jste v nesnázích, někde je chyba a vy nevíte jak dál? Pište sem...

Moderátor: Minor

Swingal
CRX Guru
CRX Guru
Příspěvky: 841
Registrován: 26 bře 2011 20:16
Kontaktovat uživatele:

Dimm-ing pri zapnutých svetlách

Příspěvekod Swingal » 26 dub 2011 14:50

Ahojte,

všimol som si na našich CRXkách že po zapnutí svetiel sa celá CRXka prepne do "nočného módu" (inak osvetlené kúrenie, ztmavnú hodiny, osvetlí sa tachometer). Výborný nápad, ale bohužial, teraz už menej použitelný. V dobách bez denného svietenia by som si to velmi pochvaloval ale teraz to už proste nieje ono. A preto sa mi v hlave vzkriesila myšlienka, či sa to nedá obísť nejakým jednoduchým vypínačom alebo automaticky na svetelný senzor alebo tak nejako. Podla mňa táto myšlienka stojí za pokus. Na internete som vela o tom nenašiel takže CZ/SK scéna možno bude prvá čo také niečo bude mať ak to nebude moc zložité :) Len momentálne neviem kde mám presne začať. DOčítal som sa že hodinky majú kábel ktorým dostaný signál že sa majú stlmiť, predpokladám že takisto to bude aj na kúrení, a aj origo rádiách.

Začnime o tomto premýšlať, myslím že je to fajn vec *fin*

Uživatelský avatar
Job!k
Klouček
Klouček
Příspěvky: 152
Registrován: 11 říj 2009 19:15
Bydliště: Ústí n.L.
Kontaktovat uživatele:

Re: Dimm-ing pri zapnutých svetlách

Příspěvekod Job!k » 26 dub 2011 15:36

držim palce ty hodiny mě taky štvou :D

Uživatelský avatar
skritek
CRXař
CRXař
Příspěvky: 442
Registrován: 15 črc 2010 22:21
Bydliště: České Budějovice
Kontaktovat uživatele:

Re: Dimm-ing pri zapnutých svetlách

Příspěvekod skritek » 26 dub 2011 20:28

tak hodiny jsou jednoduche je tam opravdu jeden dratek ktery kdyz se prerusi hodiny nestmavnou a co se tyce budiku tak myslim (nevim stopro) budou na jedom dratku takze najit ten ktery to je mezi pojistkovou skrinkou a svazkem do pristrojovky no a topeni to bude trosku slozitejsi ale zase bych hledal. Jinak vsechno by to melo byt na jedne pojistce myslim prave obrisove svetlo takze mozna ze dratky budou rozdelene hned za pojistkou a to by stacilo nechat tam jen dratek na obrisova svetla a osvetleni dat prez vypinac.
Tel 777 27 35 35

Vy můžete jezdit rychle, Já mužu jezdit všude

a uz i rychle :-)

Swingal
CRX Guru
CRX Guru
Příspěvky: 841
Registrován: 26 bře 2011 20:16
Kontaktovat uživatele:

Re: Dimm-ing pri zapnutých svetlách

Příspěvekod Swingal » 26 dub 2011 21:10

Ahoj,

vďaka za info, stmavovacie káble by mali byť oranžové podla internetových zdrojov. Cez vypínač by som to nechcel riešiť, radšej mám keď sa to spraví automaticky. Podla všetkého by to celkom šlo, a myslím že by to bol celkom luxus. Zatial som na GME našiel túto skladačku http://www.gme.sk/sk/f-kv-mk125-p765-377.html. Senzor by som umiestnil pod čelné okno. Myslím že by to bolo lepšie ako vypínač *fin*. Ak by bol záujem spravím aj návod keď to vyjde a možno aj nejakú celú sadu predávať ze nejaký ten peniaz *fin*

//edit: budem si sem zatial hádzať potrebné linky ak to nikomu nebude vadiť :)

Budíky: piny+funkcie
http://www.angelfire.com/ca/DrOhm/SiRcluster.html

Cody
Klouček
Klouček
Příspěvky: 165
Registrován: 13 čer 2009 17:40
Kontaktovat uživatele:

Re: Dimm-ing pri zapnutých svetlách

Příspěvekod Cody » 26 dub 2011 21:47

Taky mě to štve,vždy vypínám na chvilku světla abych se podíval kolik je hodin :(

Swingal
CRX Guru
CRX Guru
Příspěvky: 841
Registrován: 26 bře 2011 20:16
Kontaktovat uživatele:

Re: Dimm-ing pri zapnutých svetlách

Příspěvekod Swingal » 09 kvě 2011 16:16

Pracujem na tom len mi s GME.sk musia doručiť danú skladačku, a posledne čo povedali tak že bude o mesiac. Takže sa to trocha predĺži. Mám otázočku, ako sa vyberá strednový ofuk? Teda ako sa dostanem k hodinkám? K panelu kúrenia predpokladám že vytiahnem.

Swingal
CRX Guru
CRX Guru
Příspěvky: 841
Registrován: 26 bře 2011 20:16
Kontaktovat uživatele:

Re: Dimm-ing pri zapnutých svetlách

Příspěvekod Swingal » 23 kvě 2011 23:59

Skladačka z GME prijde nevedno kedy (možno za 2-3 týždňe), dneska som sa konečne dostal k hodinkám. Idú do nich 4 káble, Battery (+12V), Ignition (+?V), Illumi (+?V), GND (+/-0V), Nemal som pri sebe merák takže viac neviem povedať. Čo je zaujímavé že hodinky svietia do modro-zelena a dosť silno, stmaví ich iba to bordové sklíčko pred nimi čo vidíme a to ich aj zafarbí do biela. :)

Pekný večer ...

Uživatelský avatar
Ajsik
Žáček
Žáček
Příspěvky: 285
Registrován: 29 zář 2009 09:45
Bydliště: Mladá Boleslav
Kontaktovat uživatele:

Re: Dimm-ing pri zapnutých svetlách

Příspěvekod Ajsik » 24 kvě 2011 07:02

Na Hodinách mám už nějakej ten rok-dva-tři vypojený stmívání, jen jsem ucvaknul kábl a bylo :D
_________BŮH STVOŘIL ZEMI ...... HONDA STVOŘILA CRX_________

Swingal
CRX Guru
CRX Guru
Příspěvky: 841
Registrován: 26 bře 2011 20:16
Kontaktovat uživatele:

Re: Dimm-ing pri zapnutých svetlách

Příspěvekod Swingal » 24 kvě 2011 23:26

Dúfam že moje riešenie bude sofistikovanejšie :lol:

Swingal
CRX Guru
CRX Guru
Příspěvky: 841
Registrován: 26 bře 2011 20:16
Kontaktovat uživatele:

Re: Dimm-ing pri zapnutých svetlách

Příspěvekod Swingal » 28 kvě 2011 16:34

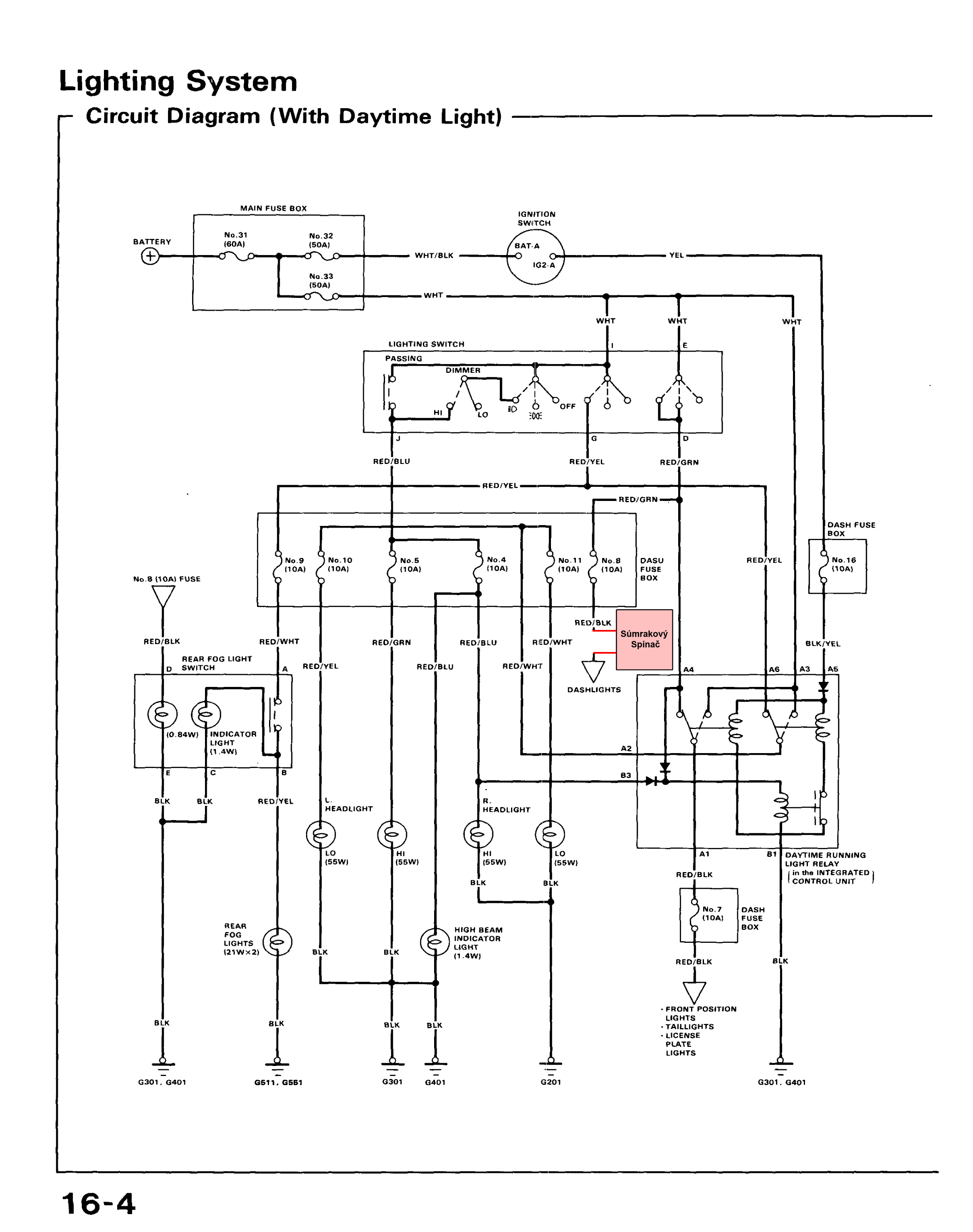
No pozerám na schémy že jak by to šlo spraviť ... a napadá ma ešte jedno riešenie, nad ktorým tu dumám asi 10 minút ale došiel som na to že by to bolo strašne komplexné (čo je fajn) ale aj komplikované, tak to nechám radšej tak ... Jednalo sa o to že pri súmraku by sa zapli zadné svetlá, osvetlenie SPZ, palubovka, obrysovky v predu ... ale do toho by som sa nerad pustal lebo je to pracne riesenie ...

Tak sa vraciam k povodnemu napadu ktory bude jednoduchsi ...

Tak tu som zobral schému z manuálu a dorobil som tam ako si to predstavujem ... myslim ze to vyzera jednoducho, uvidim ako to bude v reale, stale cakam na diely ...
Přílohy
spinac.jpg
Dimming schema

Uživatelský avatar
Martin666
CRX Guru
CRX Guru
Příspěvky: 1137
Registrován: 04 říj 2010 23:10
Bydliště: Slavkov u Brna
Kontaktovat uživatele:

Re: Dimm-ing pri zapnutých svetlách

Příspěvekod Martin666 » 28 kvě 2011 19:45

Ajsik píše:Na Hodinách mám už nějakej ten rok-dva-tři vypojený stmívání, jen jsem ucvaknul kábl a bylo :D


Který ? :-D
Benzín náš každodenní dej nám dnes
Posvět se ostrá vačkovko
přid očekávaný výkon z Tebe
a neuveď nás do zadření
ale zbav nás usazení karbonu
neboť Tvůj je olej, klikovka, ojnice, písty
na Věky věků
Ámen

Swingal
CRX Guru
CRX Guru
Příspěvky: 841
Registrován: 26 bře 2011 20:16
Kontaktovat uživatele:

Re: Dimm-ing pri zapnutých svetlách

Příspěvekod Swingal » 28 kvě 2011 21:30

Na konektore lavý spodný, ten má na starosti podsvietenie :)
Přílohy
IMG_20110528_212633.jpg
IMG_20110528_212600.jpg

Swingal
CRX Guru
CRX Guru
Příspěvky: 841
Registrován: 26 bře 2011 20:16
Kontaktovat uživatele:

Re: Dimm-ing pri zapnutých svetlách

Příspěvekod Swingal » 08 čer 2011 18:03

Tak, prepinac je doma, nemam moc priestor momentalne na pajkovanie tak to dam asi spoluziakovi spravit, a potom nahodit do auta *fin* cerveno-cierny kabel byva vacsinou dimm-ovaci *fin*
Přílohy
IMG_20110608_174557 (Large).jpg
IMG_20110608_174512 (Large).jpg

Swingal
CRX Guru
CRX Guru
Příspěvky: 841
Registrován: 26 bře 2011 20:16
Kontaktovat uživatele:

Re: Dimm-ing pri zapnutých svetlách

Příspěvekod Swingal » 11 čer 2011 22:00

Ták, dneska som našiel kábel ktorý dáva príkaz na dimming (zatmavovanie), zajtra si to este overim nakolko som to rozoznaval len podla panelu kurenia, este ked zapojim tachometer ci sa ten rozsvieti. Ale vyzera to dobre *fin*

Modul sa mi uz pajkuje u spoluziaka, takze mozno buduci tyzden sa dostavi vysledok. Este jedna vec. Ma niekto nejake napad kam dat senzor? Rozmyslal som ho dat do stredu pod sklo ako je matica upevnenia pristrojovky len je tam blby pristup. Ale vyzeralo by to asi najlepsie. Ine navrhy? :)

Swingal
CRX Guru
CRX Guru
Příspěvky: 841
Registrován: 26 bře 2011 20:16
Kontaktovat uživatele:

Re: Dimm-ing pri zapnutých svetlách

Příspěvekod Swingal » 20 čer 2011 20:12

Tak už som z toho kokot. Zatmavenie sa deli na dve casti. Panel kurenia a zvysok pristrojovky. Spojil som ich dohromady. Ta moja skladacka akosi nefungovala. Mozno preto ze senzor bol na dvoch kablikoch a tym padom jeho fotoodpor udavany plsaku bol vyssi a on s nim nedokazal pracovat (teoria). Dalej ma zarazilo pri konci som ten okruh zatmavania nechal rozpojeny (takze nic nesvietilo ako ked mate vypnute svetla), vysiel som von a zistil som ze obrysovky mi nefunguju, rozpojeny obvod (zatmavovaci) spojim dohromady a parkovacky uz funguju jak maju. Neviem uz mi z toho zacina jebat. Musim to este raz porobit ...

Ak by mi chcel niekto pomoct kto vie aspon co to je merak (ako ja), budem rad ... *fin*


Zpět na „Potřebuji poradit :( / Need help“

Kdo je online

Uživatelé prohlížející si toto fórum: Žádní registrovaní uživatelé a 6 hostů